штс
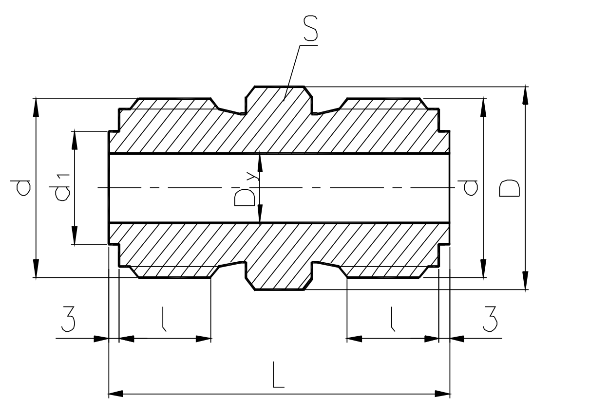
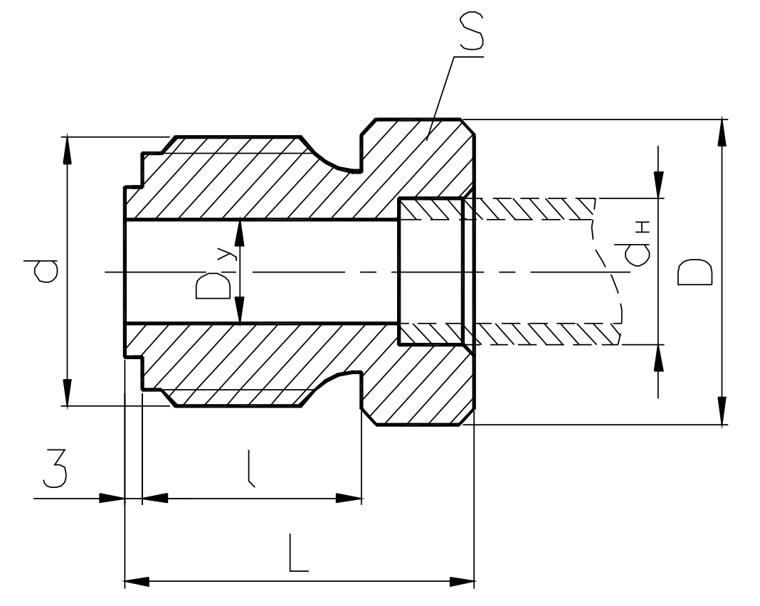
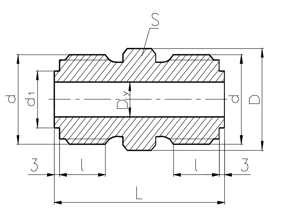
Штуцер для трубы — соединительная деталь, обеспечивающая переход между трубами разных диаметров, присоединение шлангов, установку контрольно-измерительных приборов (манометров, термометров), отбор проб среды. Конструктивно штуцер имеет резьбовое или сварное присоединение с одной стороны и ответный элемент (резьбу, фланец, гладкий конец) с другой.
Изготовление деталей на токарном станке — основной метод производства штуцеров.
Для штуцеров сложной формы применяется токарно-фрезерная обработка металла на многоосевых центрах. Это позволяет за одну установку выполнить точение, фрезерование шестигранника под ключ, сверление радиальных отверстий.
Услуги гальванического покрытия защищают от коррозии:
Цинкование (толщина 12 мкм) — для пресной воды и конденсата
Кадмирование (9 мкм) — для морской воды (судовое оборудование производство)
Никелирование (15 мкм) — для декоративных и гигиенических требований
Мы используем Яндекс Метрику
Этот сайт использует сервис веб-аналитики Яндекс Метрика, предоставляемый ООО «ЯНДЕКС», с использованием файлов cookie для анализа пользовательской активности. Собранная информация не идентифицирует вас, но помогает нам улучшить работу сайта. Информация может передаваться и храниться на серверах Яндекса в РФ и будет обработана согласно Условиям использования Яндекс Метрики.
Вы можете отключить cookie в настройках браузера или воспользоваться инструментом отказа. Продолжая пользоваться сайтом, вы соглашаетесь с обработкой данных в рамках ФЗ-152.
Мы готовы ответить на все ваши вопросы
Оставьте заявку или закажите бесплатный выезд специалиста на объект. Мы рассчитаем стоимость вашего проекта и гарантируем высокое качество выполненных работ.
