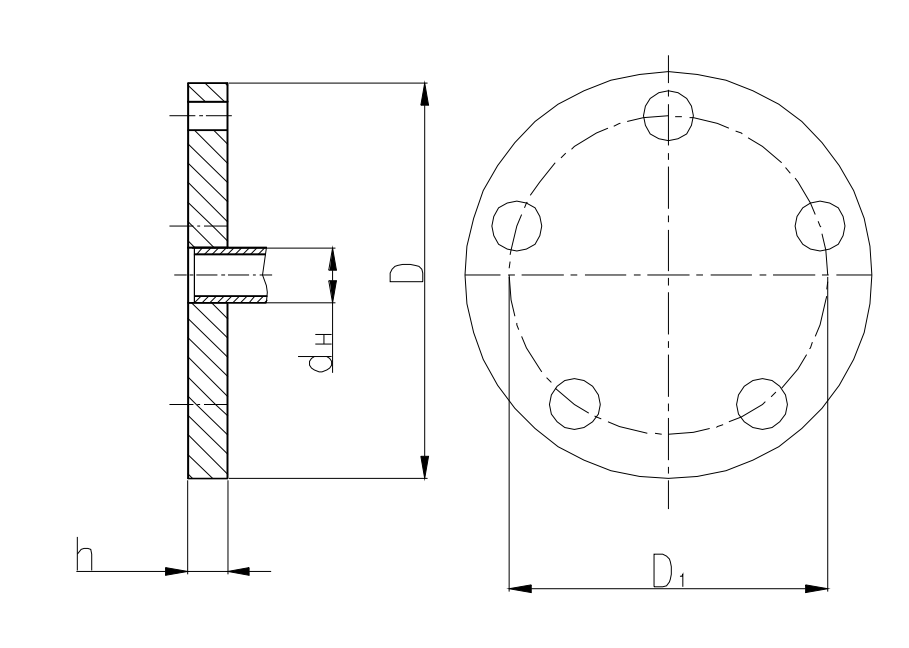
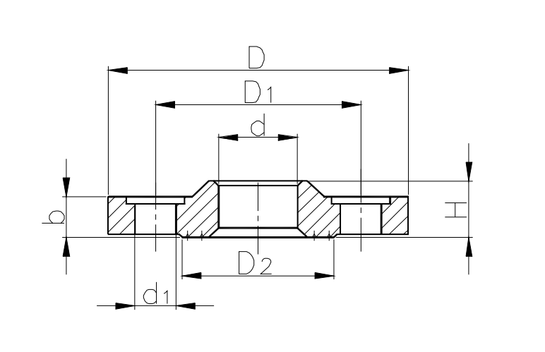
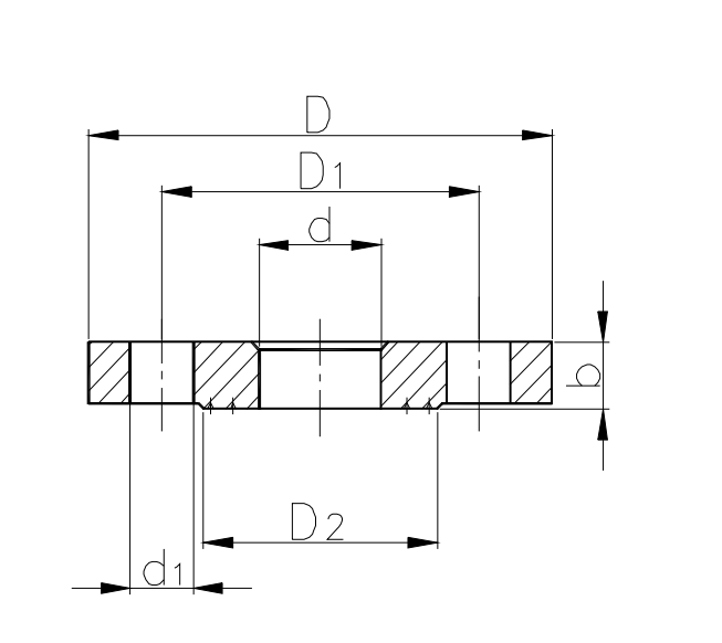
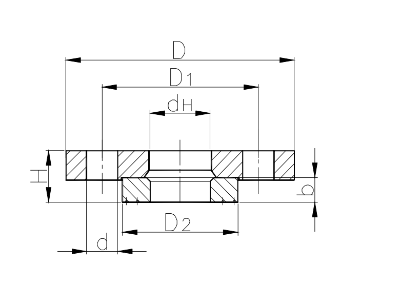
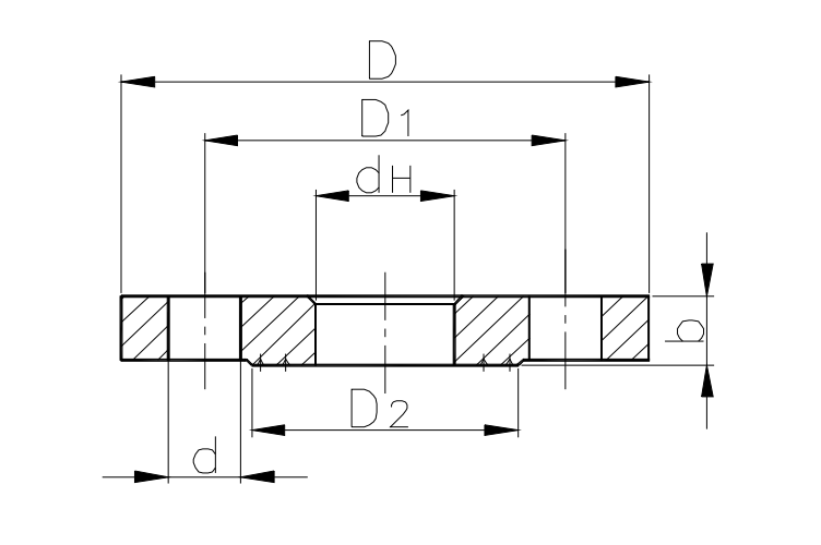
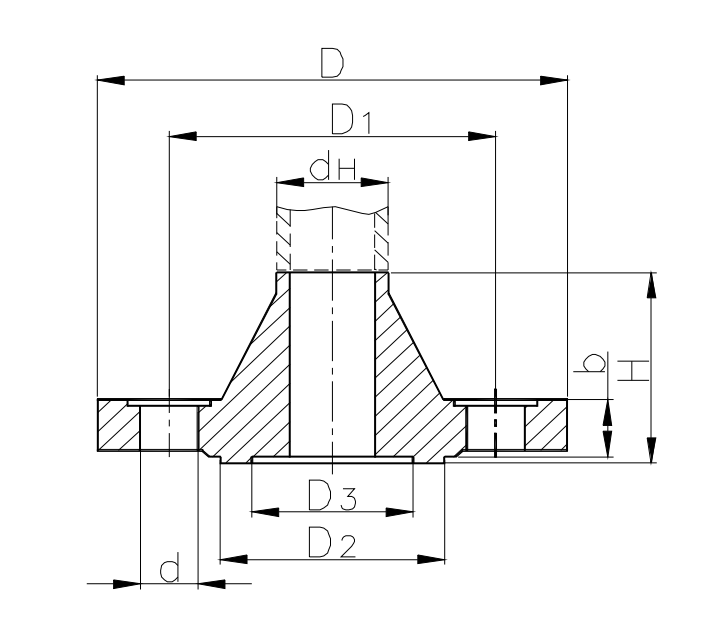
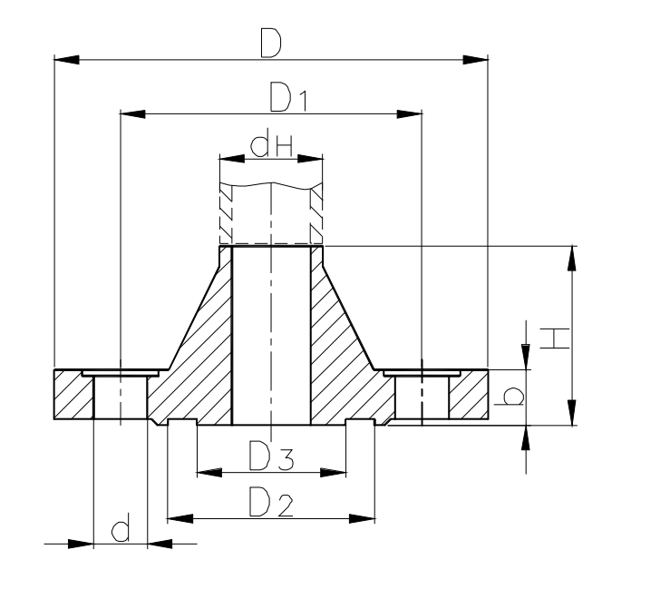
фланцы
Мы производим фланцы из нержавеющей и углеродистой стали, обеспечивая высокую стойкость к давлению, вибрации и коррозии.
Каждое изделие проходит контроль геометрии и качества поверхности, что гарантирует точное прилегание и долговечность соединения.
Фланцы используются в судостроении, нефтегазовой отрасли, энергетике, ЖКХ и других сферах, где требуется надежная работа трубопроводных систем.
Мы используем Яндекс Метрику
Этот сайт использует сервис веб-аналитики Яндекс Метрика, предоставляемый ООО «ЯНДЕКС», с использованием файлов cookie для анализа пользовательской активности. Собранная информация не идентифицирует вас, но помогает нам улучшить работу сайта. Информация может передаваться и храниться на серверах Яндекса в РФ и будет обработана согласно Условиям использования Яндекс Метрики.
Вы можете отключить cookie в настройках браузера или воспользоваться инструментом отказа. Продолжая пользоваться сайтом, вы соглашаетесь с обработкой данных в рамках ФЗ-152.
Мы готовы ответить на все ваши вопросы
Оставьте заявку или закажите бесплатный выезд специалиста на объект. Мы рассчитаем стоимость вашего проекта и гарантируем высокое качество выполненных работ.
