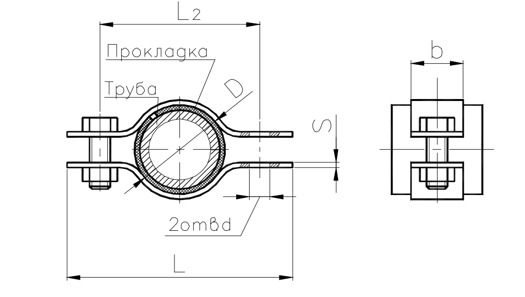
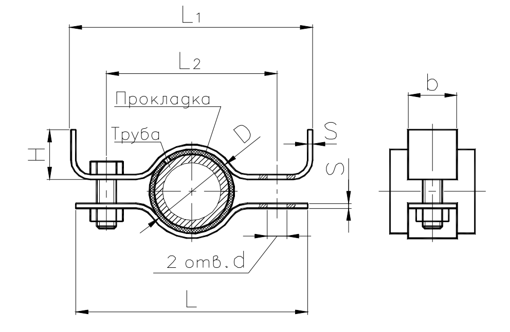
Подвески судовых трубопроводов
Подвески судовых трубопроводов предназначены для крепления изолированных и неизолированных труб общесудовых трубопроводов. Применяются при прокладке трубопроводов с наружным диаметром от 6 мм до 426 мм, применяемых при монтаже и ремонте трубопровода на судах различного класса.
Конструктивные особенности и типы
Подвески изготавливаются в двух основных исполнениях:
- Для неизолированных трубопроводов — прямой контакт с трубой, применяются в машинных отделениях для холодных и умеренно нагретых сред
- Для изолированных трубопроводов — с учётом толщины теплоизоляции, используются для магистралей пара, горячей воды, криогенных жидкостей
Конструкция включает корпус, резиновые амортизирующие элементы (виброизоляторы) и крепёжные болты. Приварыш на трубу обеспечивает жёсткое соединение подвески с трубопроводом, распределяя нагрузку и предотвращая концентрацию напряжений.
Мы используем Яндекс Метрику
Этот сайт использует сервис веб-аналитики Яндекс Метрика, предоставляемый ООО «ЯНДЕКС», с использованием файлов cookie для анализа пользовательской активности. Собранная информация не идентифицирует вас, но помогает нам улучшить работу сайта. Информация может передаваться и храниться на серверах Яндекса в РФ и будет обработана согласно Условиям использования Яндекс Метрики.
Вы можете отключить cookie в настройках браузера или воспользоваться инструментом отказа. Продолжая пользоваться сайтом, вы соглашаетесь с обработкой данных в рамках ФЗ-152.
Мы готовы ответить на все ваши вопросы
Оставьте заявку или закажите бесплатный выезд специалиста на объект. Мы рассчитаем стоимость вашего проекта и гарантируем высокое качество выполненных работ.
