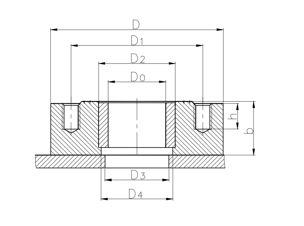
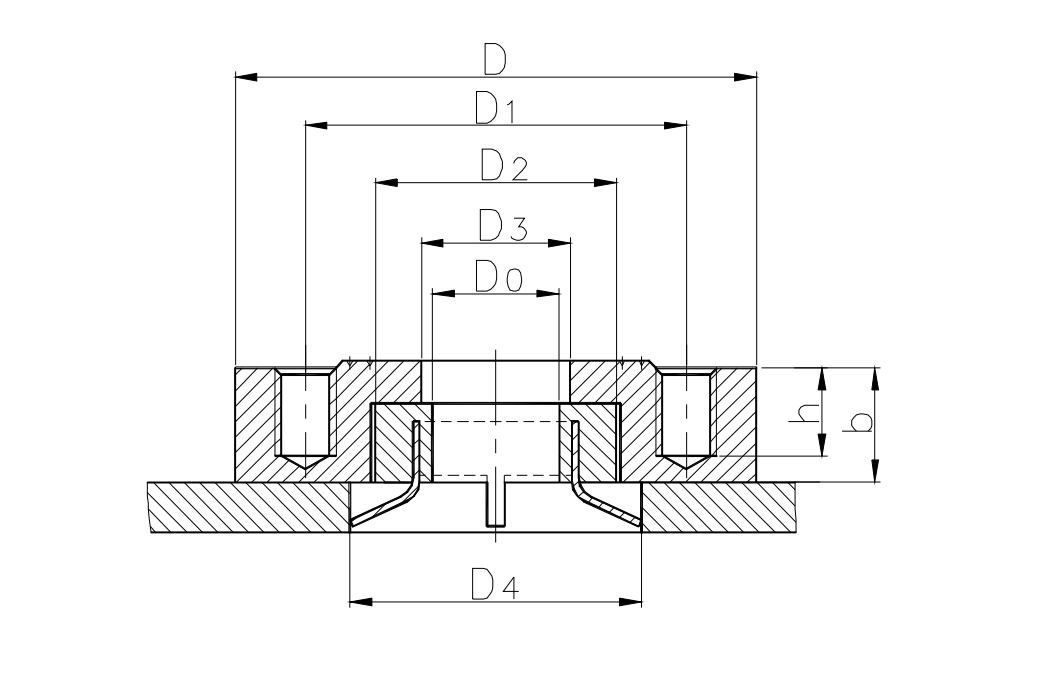
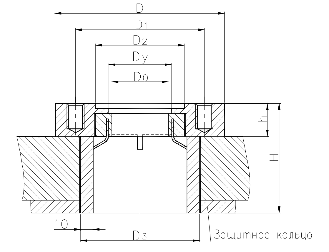
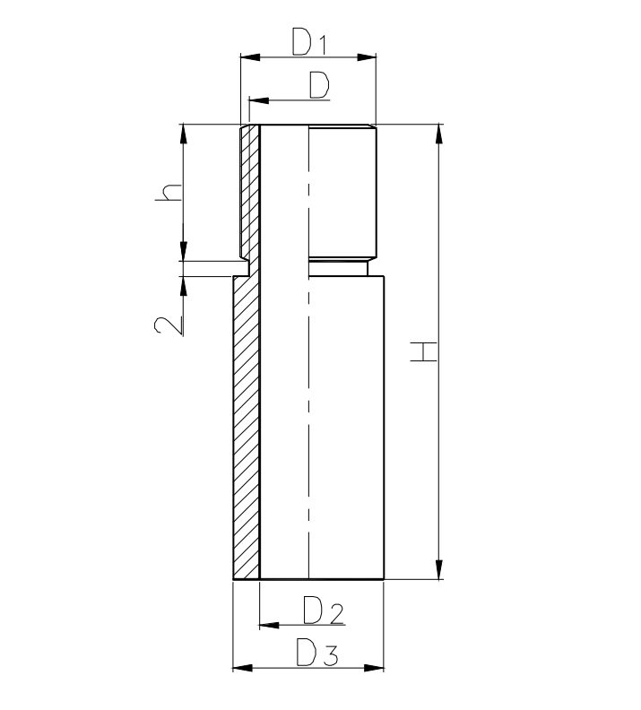
Приварыши
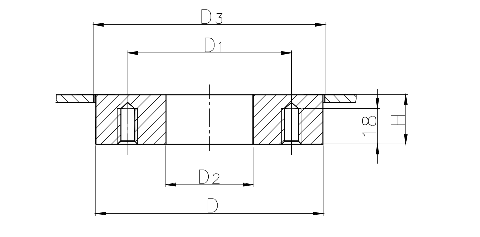
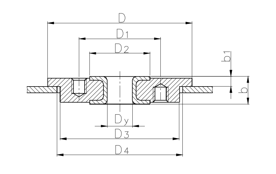
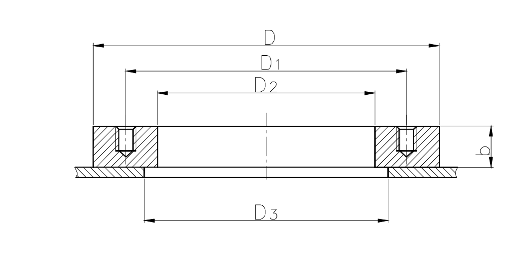
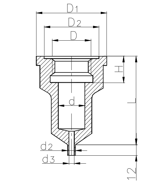
Приварыш на трубу — это соединительная деталь, привариваемая к основной трубе для крепления арматуры, подвесок, фланцев или ответвлений. Конструктивно приварыш представляет собой патрубок с одним или несколькими присоединительными элементами (фланцем, резьбой, гладким концом под сварку).
Приварыши широко используются в:
- Судостроении — крепление подвесок судовых трубопроводов, установка запорной арматуры
- Промышленных объектах — химические заводы, НПЗ, теплоэлектростанции
- Системах водоснабжения и отопления — многоквартирные дома, коттеджные посёлки
Мы используем Яндекс Метрику
Этот сайт использует сервис веб-аналитики Яндекс Метрика, предоставляемый ООО «ЯНДЕКС», с использованием файлов cookie для анализа пользовательской активности. Собранная информация не идентифицирует вас, но помогает нам улучшить работу сайта. Информация может передаваться и храниться на серверах Яндекса в РФ и будет обработана согласно Условиям использования Яндекс Метрики.
Вы можете отключить cookie в настройках браузера или воспользоваться инструментом отказа. Продолжая пользоваться сайтом, вы соглашаетесь с обработкой данных в рамках ФЗ-152.
Мы готовы ответить на все ваши вопросы
Оставьте заявку или закажите бесплатный выезд специалиста на объект. Мы рассчитаем стоимость вашего проекта и гарантируем высокое качество выполненных работ.
